ADA Accessible Trailer (3 Station)

Wheelchair-accessible 3-station restroom trailer with ramp, grab bars, and climate control. ADA compliant for weddings, festivals, and construction in NC. Get a free quote.

ADA Accessible Restroom Trailer with wheelchair ramp

Specifications

Stations: Women's: 2, Men's: 1 (1 ADA compliant)
Length: 20'0"
Width: 8'6"
Height: 11'0"
Capacity: Up to 150 guests

Features & Amenities

ADA-compliant wheelchair accessible stall
Extended low incline ramp
Grab bars and support rails
Flushing toilets
Sinks with running water and soap dispensers
Climate control (heating and air conditioning)
Interior LED lighting
Mirrors and shelving
Non-slip flooring

Ideal For

Weddings and receptionsCorporate events requiring accessibilityPublic events and festivalsCommunity gatheringsAny event requiring ADA compliance

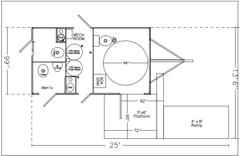
Floor Plan

ADA accessible 3 station trailer floor plan layout

ADA Accessible 3 Station Restroom Trailer

Our ADA Accessible 3 Station Trailer ensures that all your guests, regardless of mobility, can enjoy a comfortable and dignified restroom experience. This trailer features a spacious ADA-compliant stall with a wheelchair ramp or hydraulic lift, making it accessible for everyone.

Inclusive and Comfortable

We believe that every guest deserves access to clean, comfortable facilities. Our ADA-compliant trailer goes beyond minimum requirements to provide a spacious, well-lit, and climate-controlled environment that accommodates wheelchairs, walkers, and other mobility aids with ease.

Full ADA Compliance

This trailer meets all ADA requirements, including proper door widths, turning radius, grab bar placement, and accessible sink heights. The hydraulic lift or ramp ensures safe and easy entry for guests with mobility challenges.

Premium Amenities for All Guests

In addition to the ADA-compliant stall, this trailer includes two additional stations for other guests, ensuring everyone has access to premium restroom facilities. With climate control, running water, and modern amenities, your event will be comfortable and inclusive.

Peace of Mind

When you choose our ADA Accessible trailer, you can rest assured that your event meets accessibility standards while providing a premium experience for all attendees. We handle delivery, setup, and servicing throughout your event.

Ready to Book This Trailer?

Contact us today for availability and pricing for your event

Get a Free Quote